Invia richiesta ora
Caratteristiche del prodotto:
Materiali ad alta resistenza: le pulegge sincrone per la trasmissione di potenza ad alta resistenza sono in genere realizzate con materiali ad alta resistenza e resistenti all'usura, come acciaio legato e lega di alluminio, per garantire stabilità e durata in presenza di carichi elevati e velocità elevate.
Produzione di precisione: il processo di produzione rispetta rigorosi standard di alta precisione, garantendo la precisione di parametri chiave quali il profilo e il passo dei denti della puleggia, migliorando così la precisione e la stabilità della trasmissione.
Diversi design: per soddisfare le esigenze di diverse applicazioni industriali, le pulegge sincrone per la trasmissione di potenza per impieghi gravosi offrono una varietà di opzioni di design, tra cui diversi profili dei denti, passi, diametri delle pulegge e larghezze.
Trasmissione efficiente: le pulegge sincrone utilizzano un metodo di trasmissione a dentatura, consentendo una trasmissione di potenza efficiente e stabile se utilizzate con una cinghia di distribuzione. La loro efficienza meccanica è in genere elevata, raggiungendo 0,98 o superiore.
Rapporto di trasmissione preciso: grazie alla relazione di dentatura tra la cinghia di distribuzione e la puleggia, le pulegge sincrone per la trasmissione di potenza per impieghi gravosi possono fornire rapporti di trasmissione precisi, il che è fondamentale per le applicazioni che richiedono un controllo preciso della velocità e della coppia.
Trasmissione antiscivolo: il sistema di trasmissione a cinghia sincrona ha la caratteristica di essere antiscivolo, il che significa che durante il processo di trasmissione non si genererà ulteriore calore e usura, prolungando così la durata utile del sistema di trasmissione.
Pulegge trapezoidali rinforzate serie AT: un'evoluzione avanzata della tecnologia serie T, con geometria dei denti rinforzata e materiali migliorati per garantire un'affidabilità comprovata in condizioni operative difficili. Progettate specificamente per la trasmissione di potenza in applicazioni industriali gravose e ad alta coppia.
Puleggia dentata AT5/AT10
| Tipo | Materiale | Trattamento superficiale | |||||
| AT5 | AT10 | Puleggia | Flangia | ||||
| Larghezza della cinghia: 10 mm | Larghezza della cinghia: 15 mm | Larghezza della cinghia: 15 mm | Larghezza della cinghia: 20 mm | Larghezza della cinghia: 25 mm | |||
| A: 11,6 L: 16,5 L: 25(27/29) | A:16,6 L: 21,5 L: 30(32/34) | A: 16,5 L: 22,5 L: 38(40) | A: 21,5 L: 27,5 L: 43(45) | A: 26,5 L: 32,5 L: 48(50) | |||
| AW**AT5100 | AW**AT5150 | AW**AT10150 | AW**AT10200 | AW**AT10250 | 6061 | 6061 | Anodizzazione naturale |
| AB**AT5100 | AB**AT5150 | AB**AT10150 | AB**AT10200 | AB**AT10250 | Anodizzazione nera | ||
| AH**AT5100 | AH**AT5150 | AH**AT10150 | AH**AT10200 | AH**AT10250 | Anodizzazione dura | ||
| AN**AT5100 | AN**AT5150 | AN**AT10150 | AN**AT10200 | AN**AT10250 | nichelatura | ||
| SF**AT5100 | SF**AT5150 | SF**AT10150 | SF**AT10200 | SF**AT10250 | S45C | SPCC | Rivestimento in ossido nero |
| Numero di serie AT5100 | Numero di serie**AT5150 | Numero di serie**AT10150 | Numero di serie AT10200 | Numero di serie**AT10250 | nichelatura | ||
Puleggia dentata AT5/AT10


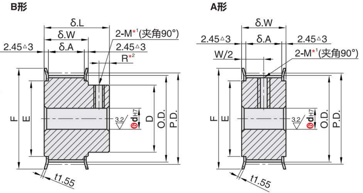
④ Profilo della puleggia


Le dimensioni della scanalatura dei denti variano leggermente a seconda del numero di denti. Passo dei denti AT5 (5 mm); Passo dei denti AT10 (10 mm);
Il numero dopo il triangolo nella figura indica il tipo AT10.
Per le specifiche dei fori dell'albero H (foro rotondo), V, F (foro a gradini) e Y (foro a gradini su entrambe le estremità), non sono presenti fori filettati.
La superficie interna del foro dell'albero potrebbe non essere trattata.
AT5: R=4 (numero di denti 15-16); R=5 (numero di denti 18-28);
R=6 (numero di denti 30-60);
AT10: R=8 (numero di denti 14-48)
* Per le pulegge con tipo A e fori dell'albero P o N, i due fori filettati si trovano a circa 120° o 90° dal centro della scanalatura del dente.