Invia richiesta ora
Caratteristiche del prodotto:
La struttura dei denti lavorata con precisione garantisce un accoppiamento saldo tra cinghia e puleggia, prevenendo efficacemente slittamenti e disallineamenti.
Il rapporto di trasmissione preciso lo rende adatto ad attrezzature di trasporto leggere che richiedono un'elevata precisione di posizionamento.
Il passo dei denti e le specifiche sono conformi agli standard internazionali (MXL, XL, L, H, ecc.), consentendo una facile sostituzione e intercambiabilità.
L'efficienza della trasmissione supera il 98%, con una perdita di potenza minima.
L'innesto fluido, le basse vibrazioni e la bassa rumorosità durante il funzionamento lo rendono ideale per ambienti sensibili al rumore, come uffici e industrie alimentari.
Il design a basso attrito riduce l'usura della cinghia e della puleggia e ne prolunga la durata.
Sono disponibili diverse interfacce di montaggio, tra cui fori standard, sedi per chiavette, viti di fissaggio e manicotti di espansione.
Il design compatto facilita l'integrazione nei sistemi di trasporto, risparmiando spazio sulle apparecchiature.
La sostituzione è semplice e non richiede un lungo smontaggio dell'attrezzatura.
Forniamo soluzioni affidabili per la trasmissione di potenza su più passi (MXL 2,032 mm, XL 5,08 mm, L 9,525 mm), progettate per la trasmissione di coppia moderata, il trasporto leggero e le applicazioni ad alta velocità. La configurazione MXL, progettata con precisione, soddisfa i requisiti di trasmissione ad alta velocità in apparecchiature compatte; il versatile profilo XL è adatto a diversi scenari ad alta velocità; mentre la robusta struttura della serie L combina una maggiore integrità strutturale con una tolleranza di velocità lineare superiore. Queste pulegge rappresentano la soluzione ottimale per linee di automazione, macchinari compatti e sistemi di movimentazione materiali.
Puleggia dentata MXL
| Tipo | Materiale | Trattamento superficiale | ||||
| Larghezza della cinghia: 4,8 mm (3/16 pollici) | Larghezza della cinghia: 6,4 mm (1/4 di pollice) | Larghezza della cinghia: 9,5 mm (3/8 pollici) | Larghezza della cinghia: 12,7 mm (1/2 pollice) | Puleggia | Flangia | |
| A:6 L:10 L:16,5 | A: 7,5 L: 11,5 L: 18 | A:11 L: 15 L: 22 | A:14 L:1 9 P:25 | |||
| AW**MXL019 | AW**MXL025 | AW**MXL037 | AW**MXL050 | 6061 | 6061 | Anodizzazione naturale |
| AB**MXL019 | AB**MXL025 | AB**MXL037 | AB**MXL050 | Anodizzazione nera | ||
| AH**MXL019 | AH**MXL025 | AH**MXL037 | AH**MXL050 | Anodizzazione dura | ||
| AN**MXL019 | AN**MXL025 | AN**MXL037 | AN**MXL050 | nichelatura | ||
| - | SF**MXL025 | SF**MXL037 | - | S45C | S45C | Rivestimento in ossido nero |
| - | Codice articolo**MXL025 | Codice articolo**MXL037 | - | nichelatura | ||
| - | SU**MXL025 | SU**MXL037 | - | SUS303 | - | |
Puleggia dentata XL
| Tipo | Materiale | Trattamento superficiale | ||||
| Larghezza della cinghia: 6,4 mm (1/4 di pollice) | Larghezza della cinghia: 7,9 mm (5/16 pollici) | Larghezza della cinghia: 9,5 mm (3/8 pollici) | Larghezza della cinghia: 12,7 mm (1/2 pollice) | Puleggia | Flangia | |
| A:7.5 L:12.5 P:21 | A:9 P:14 P:23 | A:11 L:16 P:25 | A:14 P:19 P:28 | |||
| AW**XL025 | AW**XL031 | AW**XL037 | AW**XL050 | 6061 | 6061 | Anodizzazione naturale |
| AB**XL025 | AB**XL031 | AB**XL037 | AB**XL050 | Anodizzazione nera | ||
| AH**XL025 | AH**XL031 | AH**XL037 | AH**XL050 | Anodizzazione dura | ||
| AN**XL025 | AN**XL031 | AN**XL037 | AN**XL050 | nichelatura | ||
| SF**XL025 | - | SF**XL037 | SF**XL050 | S45C | SPCC | Rivestimento in ossido nero |
| SN**XL025 | - | SN**XL037 | SN**XL050 | nichelatura | ||
| SU**XL025 | - | SU**XL037 | SU**XL050 | SUS303 | - | |
Puleggia dentata L
| Tipo | Materiale | Trattamento superficiale | ||||
| Larghezza della cinghia: 12,7 mm (1/2 pollice) | Larghezza della cinghia: 19,1 mm (3/4 pollici) | Larghezza della cinghia: 25,4 mm (1 pollice) | Larghezza della cinghia: 38,1 mm (1,5 pollici) | Puleggia | Flangia | |
| A:14 W:19 L:31(39) | A:21 W:26 L:38(46) | A:27 P:32 P:44(53) | A:40 L:45 P:57 | |||
| AW**L050 | AW**L075 | AW**L100 | AW**L150 | 6061 | 6061 | Anodizzazione naturale |
| AB**L050 | AB**L075 | AB**L100 | AB**L150 | Anodizzazione nera | ||
| AH**L050 | AH**L075 | AH**L100 | AH**L150 | Anodizzazione dura | ||
| AN**L050 | AN**L075 | AN**L100 | AN**L150 | nichelatura | ||
| SF**L050 | SF**L075 | SF**L100 | SF**L150 | S45C | SPCC | Rivestimento in ossido nero |
| SN**L050 | Codice articolo**L075 | SN**L100 | SN**L150 | nichelatura | ||
Puleggia dentata H
| Tipo | Materiale | Trattamento superficiale | ||||
| Larghezza della cinghia: 19,1 mm (3/4 pollici) | Larghezza della cinghia: 25,4 mm (1 pollice) | Larghezza della cinghia: 38,1 mm (1,5 pollici) | Larghezza della cinghia: 50,8 mm (2 pollici) | Puleggia | Flangia | |
| A:21 L:26 P:41 | A:27 L:32 P:47 | A:40 L:45 P:60 | A:54 L:59 P:74 | |||
| AW**H075 | AW**H100 | AW**H150 | AW**H200 | 6061 | 6061 | Anodizzazione naturale |
| AB**H075 | AB**H100 | AB**H150 | AB**H200 | Anodizzazione nera | ||
| AH**H075 | AH**H100 | AH**H150 | AH**H200 | Anodizzazione dura | ||
| AN**H075 | AN**H100 | AN**H150 | AN**H200 | nichelatura | ||
| SF**H075 | SF**H100 | SF**H150 | SF**H200 | S45C | SPCC | Rivestimento in ossido nero |
| Codice articolo**H075 | SN**H100 | SN**H150 | SN**H200 | nichelatura | ||
Puleggia dentata MXL

Puleggia dentata XL

Puleggia dentata L

Puleggia dentata H

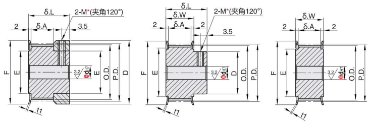
Profilo del dente ① Profilo della puleggia
Tipo K Tipo B Tipo A

Numero dopo △: Numero di denti: 23 o meno
Le dimensioni della scanalatura possono variare leggermente a seconda del numero di denti. Passo dei denti (2,032 mm)
Per le specifiche dei fori dell'albero H (foro rotondo), V, F (foro a gradini) e Y (foro a gradini su entrambe le estremità), non sono presenti fori filettati.
La superficie interna del foro dell'albero potrebbe non essere trattata.
* Per le pulegge con tipo A e fori dell'albero con P o N, i due fori filettati si trovano a circa 120° o 90° dal centro della scanalatura del dente.
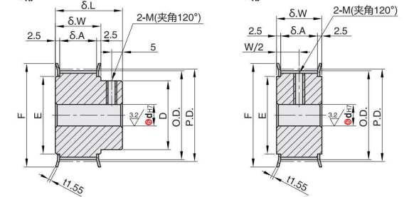
Profilo del dente ① Profilo della puleggia
Tipo B Tipo A

Le dimensioni della scanalatura dei denti variano leggermente a seconda del numero di denti. Passo dei denti (5,08 mm)
Per le specifiche dei fori dell'albero H (foro rotondo), V, F (foro a gradini) e Y (foro a gradini su entrambe le estremità), non sono presenti fori filettati.
La superficie interna del foro dell'albero potrebbe non essere trattata.
Dimensione H: L50 = 5; L075 = 8; L100 = 11
* Per le pulegge con tipo A e fori dell'albero con P o N, i due fori filettati si trovano a circa 120° o 90° dal centro della scanalatura del dente.
Profilo del dente ① Profilo della puleggia
Le dimensioni della scanalatura dei denti variano leggermente a seconda del numero di denti. Passo dei denti (9,525 mm)
Per 60 o 72 denti, t = 2 (costole tagliate).
Per le specifiche dei fori dell'albero H (foro rotondo), V, F (foro a gradini) e Y (foro a gradini su entrambe le estremità), non sono presenti fori filettati.
La superficie interna del foro dell'albero potrebbe non essere trattata.
Dimensione H: L50 = 5; L075-8; L100 = 11
Le dimensioni L (tra parentesi) sono per 60-72 denti.
* Per le pulegge con configurazione di tipo A e fori dell'albero di tipo P o N, i due fori filettati si trovano a circa 120° o 90° dal centro della scanalatura del dente.
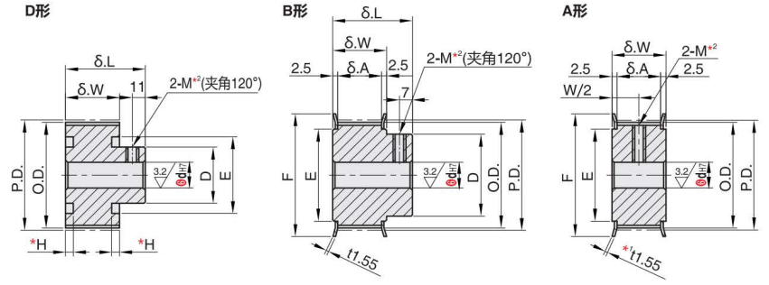
Profilo del dente ① Profilo della puleggia

Numero dopo △: Numero di denti: 19 o meno.
Le dimensioni della scanalatura possono variare leggermente a seconda del numero di denti. Passo dei denti (12,7 mm).
Per 38-50 denti, t = 2 (costole tagliate).
Per le specifiche dei fori dell'albero H (foro rotondo), V, F (foro a gradini) e Y (foro a gradini su entrambe le estremità), non sono presenti fori filettati.
La superficie interna del foro dell'albero potrebbe non essere trattata.
Dimensione H: H100 = 11; H150 = 14
* Per le pulegge con tipo A e fori dell'albero P o N, i due fori filettati si trovano a circa 120° o 90° dal centro della scanalatura.